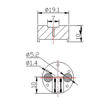
1910 Dynamische Mikrofonkapseln
Dieser Kompakt 19 . 1 x 10 mm dynamischer Kapsel enthält ein kardioides Pickup -Muster, das die fokussierte Audio -Erfassung mit minimalem Hintergrundrauschen . mit einer Empfindlichkeit von -58 ± 3DB und einer niedrigen 250 °her -Ausgabe von {10 {10 {10 {10..}}}}}}}}}}} -Pectance. 100 Hz bis 10, 000 Hz liefert einen natürlichen Stimmton, wodurch er für kompakte Handheld -Systeme, Headsets und Kommunikationsanschlüsse geeignet ist.
Merkmale
- Hohe Empfindlichkeit: -58 ± 3DB sorgt für klare und detaillierte Schallaufnahme .
- Breiter Frequenzbereich: Covers 100-10000 Hz für vielseitige Audioanwendungen .
-
Langlebiges Design: Gebaut, um strenge Verwendung in professionellen Einstellungen zu standhalten .
Anwendungen
|
|
|
|
Langlebige Leistung für tragbare
Mikrofone
|
Effiziente Sprachaufnahme für Headsets und
Konsolen |
Spezifikationen
| Name | Parameter |
| Modell |
ECM-DM1910K250 |
| Empfindlichkeit |
-58 ± 3DB |
| Ausgangsimpedanz |
250Ω |
| Direktivität |
kardioid |
| Frequenzbereich |
100-10000 Hz |
| Abmessungen | 19,1 x 10 mm |
|
|
|
Warum uns wählen?
Wir sind spezialisiert auf die Erzeugung von Mikrofonkapseln, die zuverlässige Sprachreproduktion mit hoher Fidelity . Diese 1910 -Kapsel liefern, für Anwendungen, die Audiostabilität und Sprachklarheit erfordern - durch Präzisionsmontage, strenge Tests und erweiterte Diaphragm Engineering .}}}}}}}}}}}}}}}}}}}}}}}}}}}}}}}}}.
Der nächste streifen
1910 Konferenz Dynamischer MikrofonkopfDas könnte dir auch gefallen
Anfrage senden









