6027 Mikrofon
Das 6027-Mikrofon ist eine kleine Mikrofonkapsel, die für Anwendungen entwickelt wurde, die konsistente und qualitativ hochwertige Sprachaufnahme in begrenzten Räumen erfordern. Mit einem breiten Frequenzgang von 50–20000 Hz und einer hohen Empfindlichkeit bei -38 dB ist dieses omnidirektionale Mikrofonelement ideal für digitale Audiogeräte, die eine stabile, natürliche Schallwiedergabe erfordern. Sein kompaktes 6,0 × 2,7 -mm -Design passt nahtlos in die moderne Elektronik und liefert eindeutige Audioausgabe und hält gleichzeitig die Space -Effizienz.
Ob zum Aufnehmen, Messen oder Erfassen von Sprache in Echtzeit, das 6027-Mikrofon liefert die Leistung, die von einem professionellen Mikrofonkern erwartet wird. Es wurde mit Schwerpunkt auf Stabilität und Effizienz erstellt und ist die intelligente Lösung für audiointensive Kompaktgeräte.
Merkmale
- Hohe Empfindlichkeit: -38 ± 2 dB für präzise und rundum Schallaufzeichnungen.
- Breite Antwort: 50–20000Hz sorgt für die gesamte Audio -Leistung in einem breiten Spektrum.
- Kompakte Größe: Stammt aus einem kleinen Formfaktor (6,0 x 2,7 mm), der eine vielseitige Integration von Geräten ermöglicht.
- Ausgezeichnetes S/N -Verhältnis: sauberes Audio und niedriges Hintergrundgeräusch garantiert mit 62 dB.
Anwendungen
|
|
|
|
Rauschpegel Monitor / SPL -Messgerät |
Pocket Voice Logger / tragbares Memo
-Rekorder |
Spezifikationen
| Name | Parameter |
| Modell | ECM-B6027Al38-90 |
| Empfindlichkeit | -38 ± 2 dB |
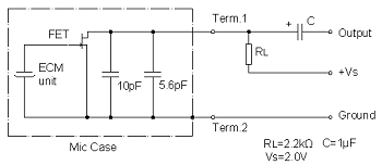
| Ausgangsimpedanz | 2.2kΩ |
| Direktivität |
Omni |
| Frequenzbereich | 50-20000Hz |
| Maximale SPL | 110 dB |
| S/N -Verhältnis | 62 dB |
| Abmessungen | 6,0 * 2,7 mm |
|
|
|
Warum uns wählen?
Was uns auszeichnet, ist unsereCustomisierte Verkabelungsfunktionen. Von emaillierten Drähten bis hin zu abgeschirmten Kabeln und von bestimmten Stiftlängen bis hin zu Steckertypen passen wir die Mikrofonbaugruppe auf Ihre genauen Konstruktionsanforderungen an. In Kombination mit fortschrittlichen Fertigungslinien und strenger Qualitätsprüfung stellen wir sicher, dass das von Ihnen erhaltene 6027-Mikrofon sowohl zuverlässig als auch produktionsbereit ist.
Der nächste streifen
6027 ElektretkondensatormikrofonDas könnte dir auch gefallen
Anfrage senden









