Elektretmikrofonelemente enthalten einen FET (Feldeffekttransistor), der zur Impedanzumwandlung und Signalverstärkung dient. Daher benötigt das Mikrofon eine Gleichspannung im Bereich von 1,5 bis 6 V. Der Stromwert des Mikrofons hängt normalerweise vom FET-Strom ab und liegt typischerweise zwischen 0,15 mA und 0,5 mA.
Der FET fungiert als Konstantstromquelle, was bedeutet, dass der Stromwert trotz Änderungen der externen Spannung und des Widerstands des Mikrofons stabil bleibt. Daher kann der Stromwert des Mikrofons als äquivalent zum FET-Strom angesehen werden. Der FET-Stromwert wird durch seine Transkonduktanz (analog zur Verstärkung eines Transistors) und seine inhärente Impedanz beeinflusst.
Es wird allgemein davon ausgegangen, dass innerhalb eines bestimmten Bereichs ein höherer normaler Stromwert für das Mikrofon einer niedrigeren Impedanz, einer größeren Verstärkungsfähigkeit und einer höheren Mikrofonempfindlichkeit entspricht.
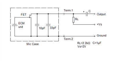
Angegebener Impedanzwert
Der vom Hersteller angegebene Impedanzwert für Mikrofone beträgt typischerweise 2,2 kΩ. In der Praxis handelt es sich bei der Impedanz des Mikrofons jedoch um einen Bereich und nicht um einen festen Punktwert. Normalerweise liegt er zwischen 700 Ω und 3000 Ω.
Wichtiger Hinweis: Die Messung der Impedanz des Mikrofons mit einem Multimeter ist ungenau, da nur der Gleichstromwiderstand des FET gemessen wird.
Der Impedanzwert des Mikrofons beeinflusst nicht nur seine Empfindlichkeit, sondern spielt auch eine entscheidende Rolle für die Leistung des elektrischen Geräts, das das Mikrofon verwendet. Das bedeutet, dass die Ausgangsimpedanz des Mikrofons mit der Eingangsimpedanz des Verstärkers im Gerät übereinstimmen muss, um eine maximale Schallübertragungsverstärkung zu erzielen.



