1045 Elektretkondensatormikrofon
Entwickelt, um die modernen Audioanforderungen zu erfüllen, dies1045 Elektretkondensatormikrofonbietet eine hervorragende Empfindlichkeit bei -44 ± 2 dB und ein starkes Signal-Rausch-Verhältnis von 68 dB. Mit einem Frequenzbereich von 100 Hz - 16000 Hz liefert es eine klare, natürliche Sprachreproduktion und isoliert die primäre Schallquelle effektiv durch sein unidirektionales Pickup -Muster. Die kompakte 10 × 4,5-mm-Größe erleichtert es einfach, in schlanke Form-Faktor-Geräte wie Headsets, Revermikrofone und andere tragbare Audiolösungen zu integrieren. Mit einer 15 -kΩ -Ausgangsimpedanz ist es für eine stabile analoge Leistung über verschiedene Kommunikationsgeräte optimiert.
Merkmale
- Der breite Frequenzbereich, der 20–16000 Hz abdeckt, bietet eine gründliche Audio -Reproduktion über einen großen Bereich.
- -42 ± 2 dB garantiert eine genaue Schallabdeckung.
- Die Omni-Richtung-Direktivität fängt aus allen Blickwinkeln konsequent Klang.
- Wenn Sie nur 3 x 1,5 mm messen, ist dies ideal für die Integration in kleine Geräte.
Anwendungen
|
|
|
Voice Headsets für Kommunikations- und Call -ZentrenDiese unidirektionale Elektretmikrofonkapsel sorgt für kristallklare Stimmabholung mit minimalem Umgebungsgeräusch-Perfekt für Headsets, die in Call-Center, Online-Meetings und VoIP-Systemen verwendet werden. Seine kompakte Form ermöglicht eine einfache Integration in schlanke Headset -Designs und hält gleichzeitig eine hohe Klarheit und Isolation für die professionelle Sprachübertragung. |
Revers- und Lavalier -Mikrofone für Moderatoren und DarstellerDieses Kondensatormikrofon ist ideal für tragbare Audiogeräte und liefert eine detaillierte Klarheit in kompakten Lavalier -Systemen. Ob für Präsentationen, Interviews oder mobile Aufzeichnungen, sie bietet eine konsistente solide Richtlinie und hilft den Benutzern dabei, die Stimme des Sprechers zu erfassen und gleichzeitig die Umweltinterferenz zu minimieren. |
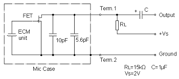
Spezifikationen
| Name | Parameter |
| Modell | ECM-B1045UML44-464 |
| Empfindlichkeit | -44 ± 2 dB |
| Ausgangsimpedanz | 15KΩ |
| Direktivität | Uni |
| Frequenzbereich |
100-16000Hz |
| Maximale SPL | 120 dB |
| S/N -Verhältnis | 68db |
| Abmessungen | 10 × 4,5 mm |
|
|
|
Warum uns wählen?
Wir priorisieren pünktliche, problemlosen Lieferungen, die von einem zuverlässigen Logistiknetzwerk unterstützt werden. Jede1045 Elektretkondensatormikrofonwird unter strengen Qualitätskontrollen hergestellt, um Ihre genauen Anforderungen an die Sprach- und Kommunikationsanwendung zu erfüllen. Wenn Sie mit uns zusammenarbeiten, erhalten Sie konsistentes Angebot, zuverlässige Service und hervorragende Zeit für die Produktleistung.
Ein paar
1463 ElektretkondensatormikrofonDer nächste streifen
9750 Uni-Direktional-MikrofonDas könnte dir auch gefallen
Anfrage senden









