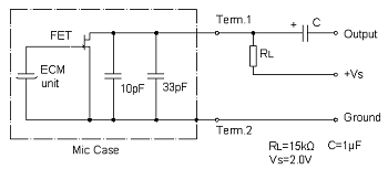
1463 Elektretkondensatormikrofon
Entwickelt für stimmliche Präzision und Sendungsstabilität, die1463 Elektretkondensatormikrofonverfügt über ein unidirektionales polares Muster, eine hohe Empfindlichkeit von -38 ± 2 dB und einen breiten 100–16000 Hz -Frequenzgang. Die 2,2-kΩ-Ausgangsimpedanz unterstützt eine reibungslose Integration in professionelle Audioschaltungen, während das hohe Signal-Rausch-Verhältnis von 70 dB eine geringe Verzerrung und ein klares Ausgang sicherstellt. Das 14 × 6,3 -mm -Design bietet ein Gleichgewicht zwischen akustischer Leistung und kompaktem Wohnraum, was es ideal für die Verwendung bei Sprachaufzeichnungsmikrofonen, Inhaltserstellungsgeräten und Kommunikationswerkzeugen bietet, die eine artikulierte Tonabholung erfordern.
Merkmale
- Hohe Empfindlichkeit: -38 ± 2 dB für sorgfältige und korrekte Aufnahme von Geräuschen.
- Eine einfache Integration mit einer Vielzahl von Geräten wird in geringer Größe um 14 x 6,3 mm ermöglicht.
- Höchste maximale SPL: 110 dB, um die Audioqualität bei hohen SPL -Werten zu erhalten.
- Ein 70 dB S/N -Verhältnis erfordert sowohl ein verringertes Hintergrundrauschen als auch eine verstärkte Klarheit.
Anwendungen
|
|
|
Studio VokalaufnahmekapselDiese Mikrofonkapsel ideal für Vokalmikrofone, die bei Podcasting, Singen oder Sprachaufnahmen verwendet werden, fängt natürliche Stimmtöne ein und minimiert das Hintergrundrauschen. Der unidirektionale Pickup bietet fokussierten Sound von vorne und stellt eine detaillierte Gesangsreproduktion für professionelle oder heimische Studios sicher. |
Audioaufnahme von Broadcast-GradeDiese Kondensatormikrofonkapsel eignet sich gut für Broadcast-Mikrofone in Live-Streaming, Radio oder On-Kamera. Mit seinen Funktionen mit breitem Frequenzgang und Rauschabstoßung sorgt es auch in dynamischen Aufzeichnungsumgebungen ein klares, konsistentes Spracherfassung und hilft den Produzenten dabei, Audiostandards auf Rundfunkebene aufrechtzuerhalten. |
Spezifikationen
| Name | Parameter |
| Modell | ECM-B1463UML38-727 |
| Empfindlichkeit | -38 ± 2 dB |
| Ausgangsimpedanz | 2.2KΩ |
| Direktivität | Uni |
| Frequenzbereich | 100-16000Hz |
| Maximale SPL | 110 dB |
| S/N -Verhältnis | 70 dB |
| Abmessungen | 14*6,3 mm |
|
|
|
Warum uns wählen?
Jede1463 Elektretkondensatormikrofonwird mit einem Fokus auf konsequente Sprachklarheit und Qualitätssicherung entwickelt. In unserem Produktionsprozess betont der Produktionsprozess von der Zwerchfelldesign bis zur Lieferkettenkontrolle die Stabilität und die niedrige Variabilitäts-ideal für Audioingenieure und Marken, die eine langfristige Zuverlässigkeit und die akustische Einheitlichkeit in professionellen Aufzeichnungsumgebungen suchen.
Ein paar
1668 ElektretkondensatormikrofonDer nächste streifen
1045 ElektretkondensatormikrofonDas könnte dir auch gefallen
Anfrage senden









