9750 Uni-Direktional-Mikrofon
Entwickelt für die professionelle Audioaufnahme, die, die9750 Uni-Direktional-Mikrofonverfügt über einen kompakten 9,7 × 5,0 -mm -Fußabdruck mit -47 ± 2 dB Empfindlichkeit, 680 Ω Ausgangsimpedanz und einen Frequenzgang von 100–16000 Hz. Sein unilektionales polares Muster sorgt für die Klarheit der Stimme, indem sie die Hauptschallquelle isoliert und Hintergrundgeräusche reduziert. Mit einem Signal-Rausch-Verhältnis von 55 dB und der Fähigkeit, bis zu 110 dB SPL zu verarbeiten, eignet sich diese Mikrofonkapsel für Headset-Systeme, Lavalier-Mikrofone und andere Kommunikations- oder Aufzeichnungsgeräte, bei denen eine konsistente Sprachqualität und kompakte Integration der Schlüssel sind.
Merkmale
- Hohe Empfindlichkeit: -47 ± 2 dB stellt sicher, dass der Schall genau erfasst wird.
- Cardioid -Abholdesign für die fokussierte Tonaufnahme in eine Richtung.
- Breiter Frequenzbereich: 100 Hz bis 16000 Hz für eine Vielzahl von Verwendungen.
- Die geringe Größe (9,7 x 5,0 mm) macht sie perfekt für Muster mit begrenztem Platz.
Anwendungen
|
|
|
Läuerisch isolierende Kapsel für KommunikationskopfsetsPerfekt für Geschäfts-, Telekommunikations- oder Gaming-Headsets, filtert diese unisch-lichtende Mikrofonkapsel Umgebungsgeräusche, um die Klarheit der Sprache zu priorisieren. Die geringen Größe und die stabilen elektrischen Eigenschaften gewährleisten eine nahtlose Integration in schlanke Headset -Designs, während der Benutzerkomfort und eine hohe Sprachverständlichkeit aufrechterhalten wird. |
Diskrete Audioaufnahme für Lavalier -MikrofoneDieses kompakte Sprachmikrofonelement ist ideal für Lavalier -Systeme, die in Interviews, Präsentationen und Erstellung von Videoinhalten verwendet werden. Das Richtungsaufnahmemuster sorgt für eine genaue Sprachaufzeichnung und minimiert Umgebungsgeräusche. Die schlanke Kapsel passt sicher in Revermic -Gehäuse und liefert auch in dynamischen, mobilen Einstellungen zuverlässiger Audio. |
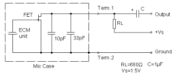
Spezifikationen
| Name | Parameter |
| Modell | ECM-F9750ul-47 |
| Empfindlichkeit | -47 ± 2 dB |
| Ausgangsimpedanz | 680Ω |
| Direktivität | Uni |
| Frequenzbereich | 100-16000Hz |
| Maximale SPL | 110 dB |
| S/N -Verhältnis | 55 dB |
| Abmessungen | 9.7*5,0 mm |
|
|
|
Warum uns wählen?
Unser Engagement für Nachhaltigkeit veranlasst uns, Abfall und Verschmutzung während unseres Produktionsprozesses zu verringern. Jeder9750 Uni-Direktional-Mikrofonwird in einer umweltverantwortlichen Einrichtung hergestellt und bietet dennoch konsistente Sprachabholung und Leistung. Wir helfen Ihren Geräten, ökologisch zu bleiben, ohne die Qualität zu beeinträchtigen.
Ein paar
1045 ElektretkondensatormikrofonDer nächste streifen
9750 ElektretikrofonDas könnte dir auch gefallen
Anfrage senden









