-
Dec 16, 2024Arten von Mikrofonelementen: Omnidirektional und unidirektionalMikrofonelemente, allgemein als Mikrofonkapseln bezeichnet, sind wesentliche Komponenten, die Schallwellen in elektrische Signale umwandeln. Es gibt sie in verschiedenen Ausführung -
Dec 16, 2024Schlüsselparameter zur Bewertung der MikrofonleistungMikrofone spielen bei der Audioaufnahme eine entscheidende Rolle und ihre Leistung wird durch wichtige technische Parameter bestimmt. In diesem Leitfaden werden die wesentlichen Me -
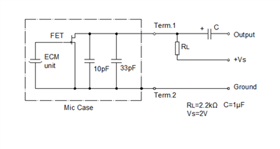
Dec 16, 2024Strom- und Impedanzspezifikationen für ElektretmikrofoneElektret-Kondensatormikrofone (ECMs) basieren auf einem internen FET zur Impedanzumwandlung und Signalverstärkung und benötigen eine Gleichspannung von 1,5–6 V. Typische Stromstärk -
Dec 09, 2024Mikrofonfrequenzgang: Allgemeine RichtlinienDer Frequenzgang eines Mikrofons bestimmt seine Fähigkeit, über verschiedene Audiofrequenzen hinweg eine gleichbleibende Empfindlichkeit aufrechtzuerhalten. Während ein flacher Fre -
Dec 09, 2024Allgemeine Spezifikationen von ElektretmikrofonenErfahren Sie mehr über die allgemeinen Spezifikationen von Elektret-Mikrofonkapseln mit Schwerpunkt auf Empfindlichkeit und Einflussfaktoren. -
Dec 09, 2024Den Aufbau von Elektretmikrofonen verstehenElektretmikrofone werden aufgrund ihrer kompakten Größe, Zuverlässigkeit und Fähigkeit, qualitativ hochwertigen Ton zu liefern, häufig verwendet. In diesem Blog werden die Struktur -
Dec 02, 2024Anwendungen von Mikrofonen in der KommunikationIn diesem Blog werden die Funktionen, häufigen Probleme und Anwendungen von Mikrofonen in Kommunikationstechnologien erörtert. Es deckt verschiedene Arten von Mikrofonen ab, einsch -
Dec 02, 2024Arten von Mikrofonen: Eine umfassende ÜbersichtMikrofone sind unverzichtbare Geräte zur Tonerfassung in verschiedenen Anwendungen, von der Musikproduktion und Live-Auftritten bis hin zu Kommunikation und Rundfunk. Es gibt sie i -
Dec 02, 2024Warum erzeugen Mikrofone Rückkopplungspfeifen?In diesem Artikel werden das Phänomen der Mikrofonrückkopplung, die gemeinhin durch das kreischende Geräusch erkannt wird, und die zugrunde liegenden Ursachen untersucht. Es werden -
Nov 25, 2024Auswahl der Empfindlichkeit von Elektret-MikrofonkapselnDer Artikel bietet Hinweise zur Auswahl der richtigen Empfindlichkeit für Elektret-Mikrofonkapseln basierend auf verschiedenen Anwendungen. Es wird hervorgehoben, dass die Empfindl -
Nov 25, 2024Anschlussmethoden für Elektret-MikrofonkapselnDer Artikel erläutert zwei Hauptanschlussmethoden für Elektret-Mikrofonkapseln: Source-Ausgang und Drain-Ausgang. Der Quellenausgang über drei Drähte sorgt für eine stabile Schaltu -
Nov 25, 2024Die Bedeutung von MikrofonkapselkabelnIn dem Artikel wird erläutert, wie wichtig es ist, die richtige Verkabelung für Mikrofonkapseln auszuwählen, um elektromagnetische Störungen (EMI) und Rauschen zu minimieren. Mikro



